Streng-duct PE gemufft
Unsere Streng-duct PE gemufften Entwässerungsrohre sind für Freispiegelleitungen im Abwasser- und Entwässerungsbereich konzipiert. Die hochwertigen, im Spritzguss vorgefertigten und anschliessend auf das Rohr aufgesteckten Streng Muffen ermöglichen eine einfache und sichere Verlegung der Rohrleitung. Für die Herstellung der Streng-duct PE Rohre und Formteile verwenden wir nur erstklassiges PE100-Neumaterial. Die Produktion erfolgt nach der Norm EN 12666 und ist zudem nach den Richtlinien von Qplus zertifiziert. Erhältlich sind unsere Streng-duct PE gemufft Produkte in den Festigkeitsklassen SN2, SN4 und SN8. Gelochte sowie auch geschlitzte Sickerrohre runden unser Sortiment ab, so dass Sie das ganze Streng-duct PE gemufft System aus einer Hand beziehen können.
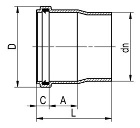
HSP Kanalrohre gemufft inkl. Dichtungen
EN 12666 / R 592012 / Qplus 11004PE100SDR 26 / S 12,5 / SN 4Previous image





HSP Kanalrohre gemufft inkl. Dichtungen
EN 12666 / R 592012 / Qplus 11004PE100SDR 33 / S 16 / SN 2Previous image





HSP Kanalrohre gemufft inkl. Dichtungen
EN 12666 / R 592012 / Qplus 11004PE100SDR 21 / S 10 / SN 8Previous image





HSP Sickerrohre gemufft inkl. Dichtungen, mit Lochung 140°
RezyklatSDR 26 / S 12,5 / SN 4 (Basisrohr)Innen- und Aussenschicht aus NeumaterialPrevious image





HSP Sickerrohre gemufft inkl. Dichtungen, mit Lochung 140°
RezyklatInnen- und Aussenschicht aus NeumaterialSDR 33 / S 16 / SN 2 (Basisrohr)Previous image





HSP Sickerrohre gemufft inkl. Dichtungen, mit Lochung 140°
EN 12666 / R 592012 / Qplus 11004SDR 26 / S 12,5 / SN 4PE100 NeumaterialPrevious image





HSP Sickerrohre gemufft inkl. Dichtungen, mit Lochung 140°
EN 12666 / R 592012 / Qplus 11004SDR 33 / S 16 / SN 2PE100 NeumaterialPrevious image





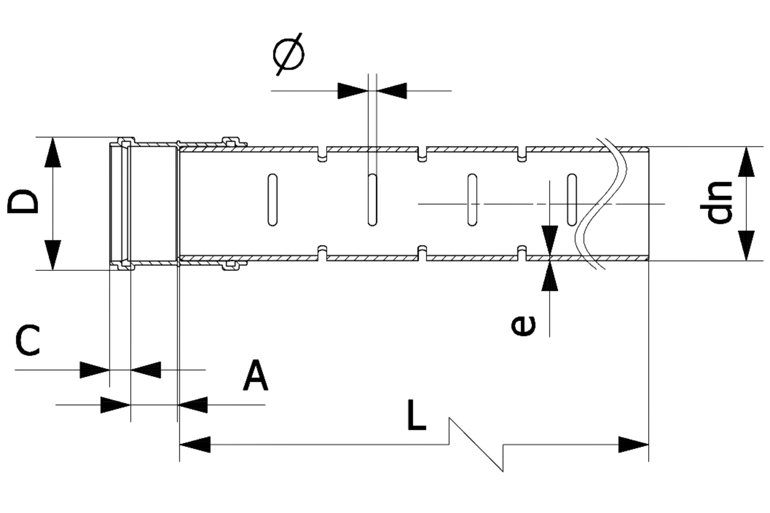
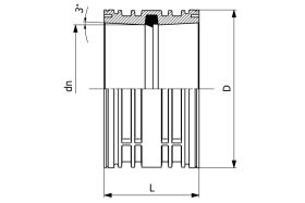
HSP Mehrzweck-Sickerrohre gemufft inkl. Dichtungen, mit Schlitzung 120°
Weitere Ausführungen auf AnfrageEN 12666 / R 592012 / Qplus 11004SDR 21 / S 10 / SN 8PE100 Neumaterial, Schlitzung mit FingerfräserPrevious image





HSP Teilsickerrohre gemufft inkl. Dichtung mit Schlitzung 220°
Weitere Ausführungen auf AnfrageEN 12666 / R 592012 / Qplus 11004SDR 21 / S 10 / SN 8PE100 Neumaterial, Schlitzung mit FingerfräserPrevious image
.jpg?ts=1732787468)
_280x280.jpg?ts=1733905349)

_280x280.jpg?ts=1733905349)

HSP Vollsickerrohre gemufft inkl. Dichtung mit Schlitzung 360°
Weitere Ausführungen auf AnfrageEN 12666 / R 592012 / Qplus 11004SDR 21 / S 10 / SN 8PE100 Neumaterial, Schlitzung mit FingerfräserPrevious image





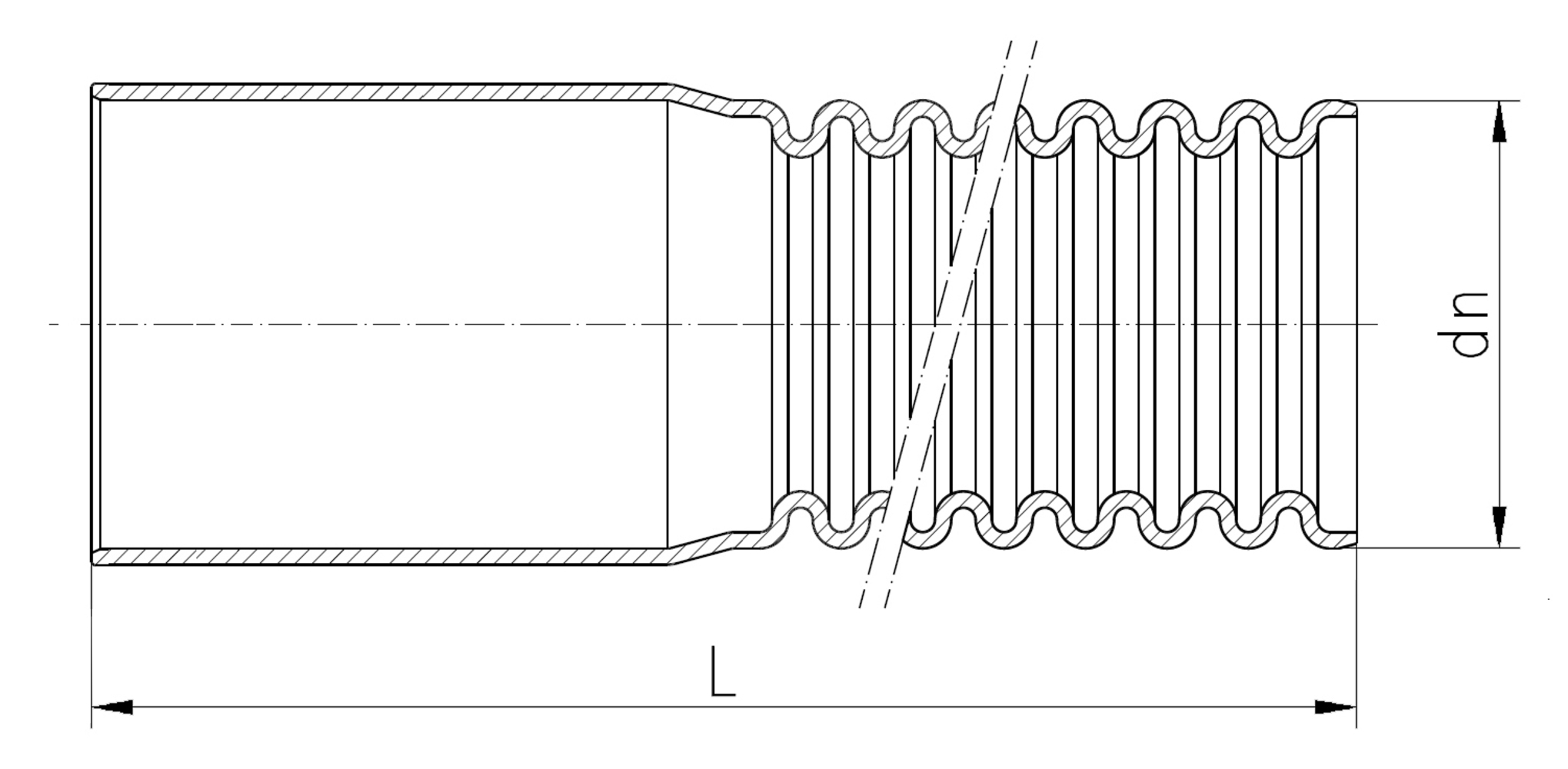
HDPE Drainagerohre strengdrain gemufft, mit Schlitzung
Schwarz, aussen gewellt, innen glatt220° geschlitzt, Ringsteifigkeit SN8Previous image





HDPE Drainagerohre strengdrain gemufft in Rollen, mit Schlitzung
Grün, aussen gewellt, innen glatt360° geschlitzt, Ringsteifigkeit SN4Previous image





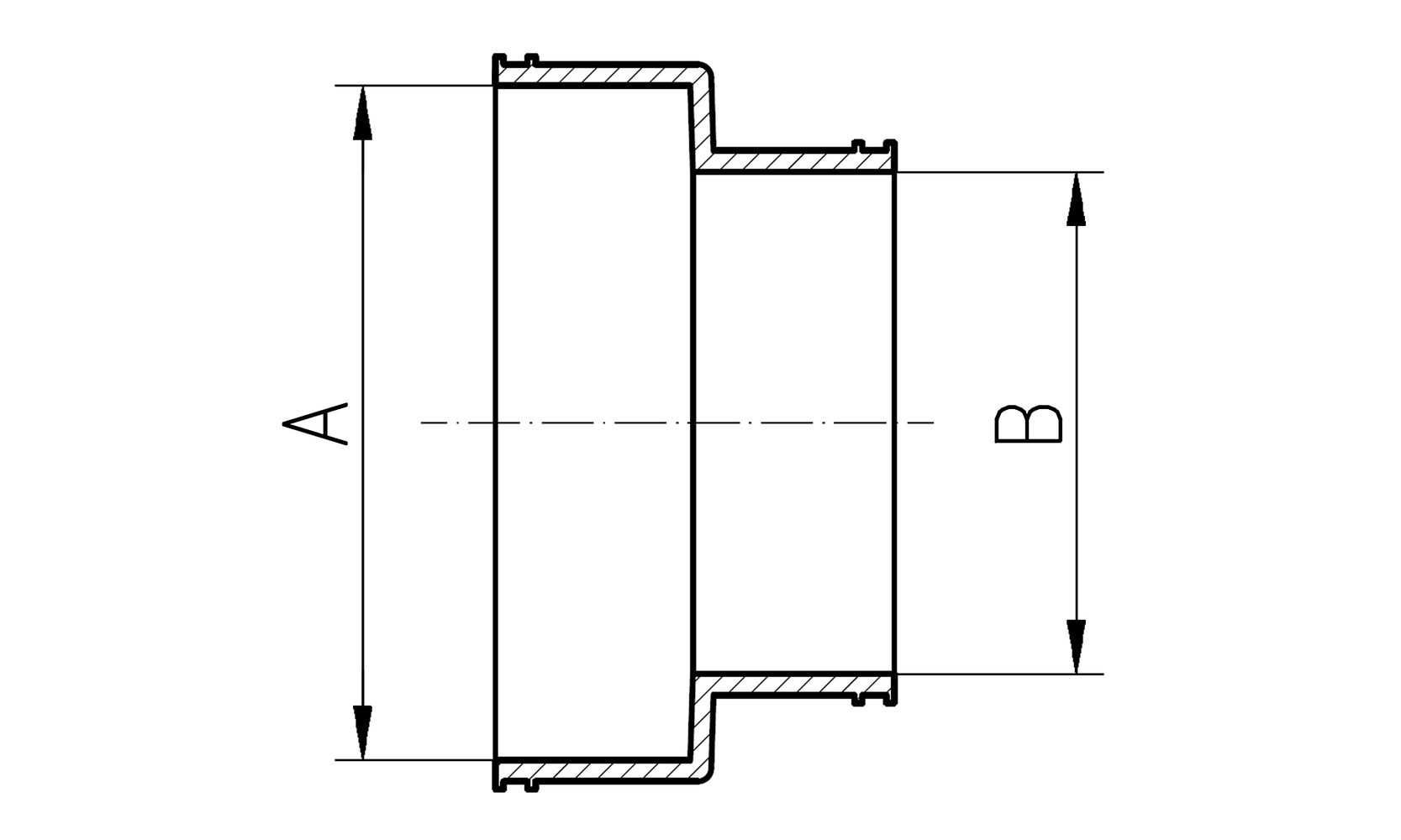
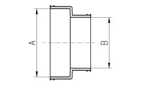
HDPE Doppelmuffen für Wellrohre
Schwarz, gespritztPrevious image





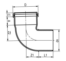
HSP Steckmuffen-Bogen 15° gespritzt inkl. Dichtungen
PE100EN 12666 / R 592012 / Qplus 11004 / SKZ-ÜFür Rohre von SN 2 - SN 8Previous image





HSP Steckmuffen-Bogen 30° gespritzt inkl. Dichtungen
PE100EN 12666 / R 592012 / Qplus 11004 / SKZ-ÜFür Rohre von SN 2 - SN 8Previous image





HSP Steckmuffen-Bogen 45° gespritzt inkl. Dichtungen
PE100EN 12666 / R 592012 / Qplus 11004 / SKZ-ÜFür Rohre von SN 2 - SN 8Previous image





HSP Steckmuffen-Bogen 88,5° gespritzt inkl. Dichtungen
PE100EN 12666 / R 592012 / Qplus 11004 / SKZ-ÜFür Rohre von SN 2 - SN 8Previous image





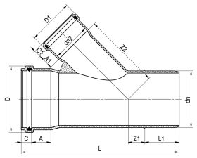
HSP Steckmuffen-Abzweiger 45° egal, gespritzt inkl. Dichtungen
PE100EN 12666 / R 592012 / Qplus 11004 / SKZ-ÜFür Rohre von SN 2 - SN 8Previous image





HSP Steckmuffen-Abzweiger 45° reduziert, gespritzt inkl. Dichtungen
PE100EN 12666 / R 592012 / Qplus 11004 / SKZ-ÜFür Rohre von SN 2 - SN 8Previous image





HSP Steckmuffen-T-Stücke 88,5° inkl. Dichtungen
Für Rohre von SN 2 - SN 8DN 19537 / EN 12666 / R 592012 / Qplus 11004 / SKZ-ÜHDPE, verlängertPrevious image





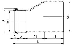
HSP Steckmuffen-Reduktionen 30° gespritzt inkl. Dichtungen
HDPEEN 12666 / R 592012 / Qplus 11004 / SKZ-ÜFür Rohre von SN 2 - SN 8Previous image





HSP Überschiebe-Steckmuffen gespritzt inkl. Dichtungen
PE100EN 12666 / R 592012 / Qplus 11004 / SKZ-ÜFür Rohre von SN 2 - SN 8Previous image





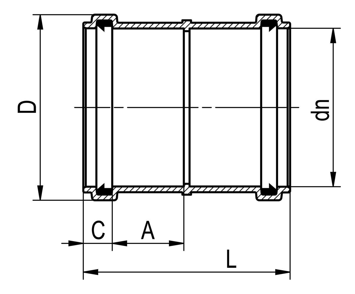
HSP Doppel-Steckmuffen gespritzt inkl. Dichtungen
PE100EN 12666 / R 592012 / Qplus 11004 / SKZ-ÜFür Rohre von SN 2 - SN 8Previous image





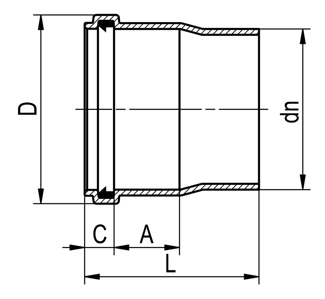
HSP Einzel-Steckmuffen gespritzt inkl. Dichtungen, zum Anschweissen
PE100EN 12666 / R 592012 / Qplus 11004 / SKZ-ÜFür Rohre von SN 2 - SN 8Previous image





Lippendichtungen SBR SX 1/SX 2
Für HSP Rohre und FormteilePrevious image





PE-SP Universal-Tauchbogen gespritzt mit Griff
Für PE, PP und PVC Rohre SDR41 bis SDR 17dn 355 bis dn 500 SDR33 - SDR26, andere Wandstärken auf AnfragePrevious image





STRENG-GRIP-Schachtfutter inkl. Dichtung
dn 500 und dn 630 handgefertigt aus PE, mit Quarzsand beschichtetHohe Dichtleistung durch grossvolumige EPDM-Dichtung. Für PE-, PP- und PVC-RohreAus Polypropylen, schwere Ausführung für hohe StabilitätPrevious image





Anschluss-Sättel für Kunststoffrohre Connex
Durchmesser Kernbohrung in Tabelle als D angegebenAndere Nenndurchmesser und Rohrmaterialien auf AnfrageEinsetzbar für Vollwandrohre PE, PP und PVCPrevious image





Anschluss-Sättel für Betonrohre Fabekun
Andere Nenndurchmesser und Rohrmaterialien auf AnfrageDurchmesser Kernbohrung in Tabelle als D angegeben, minimale Wandstärke Hauptrohr als e1 angegeben, maximale Wandstärke als e2 angegebenEinsetzbar für BetonrohrePrevious image





Rohranschluss-Dichtung TOK-Ring
Zum Anschluss von Kunststoffrohren an Betonrohre oder -schächteAndere Durchmesser auf Anfrage erhältlichDurchmesser Kernbohrung in Tabelle als D angegebenMaterial EPDMPrevious image





EPDM Flexübergänge
Weitere Ausführungen auf AnfrageFür BetonrohreDruckdicht bis 0.6 Bar, rostfreie BridenPrevious image





EPDM Flexübergänge
Weitere Ausführungen auf AnfrageDruckdicht bis 0.6 Bar, rostfreie BridenFür Steinzeug- und EternitrohrePrevious image





VPC - Rohrkupplungen
Weitere Ausführungen auf AnfrageÜbergang für Rohre gleicher Nennweiten aus gleichen oder verschiedenen Werkstoffen oder unterschiedlichen AussenstrukturenDruckdicht bis 2.5 bar, Abwinklung bis 3°Previous image





Steckmuffen-Spülstutzen mit Bajonettverschluss inkl. Dichtungen
HDPEEN 12666 / R 592012 / SKZ-ÜFür PE- und PP-Rohre von SN 2 - SN 8Previous image





Vierkantschlüssel für Spülstutzen
Previous image



SP Steckmuffen-Putzstücke inkl. Dichtungen mit runder Verschlusskappe
HDPEEN 12666 / R 592012 / SKZ-ÜFür PE- und PP-Rohre von SN 2 - SN 8Weitere Ausführungen auf AnfragePrevious image





SP Steckmuffen-Putzstücke inkl. Dichtungen mit ovalem Deckel
HDPEEN 12666 / R 592012 / SKZ-ÜFür PE- und PP-Rohre von SN 2 - SN 8Weitere Ausführungen auf AnfragePrevious image





Mauerkragen inkl. Spannband und Schloss
Aus EPDM 3 Bar AbdichtungFür PE-, PP- und PVC-RohrePrevious image





Kunststoff-Reiniger
1 Liter FlaschenPrevious image



Gleitmittel für Dichtungen
0.5 Liter FlaschenIn Kleinmengen (< 1 Liter) biologisch abbaubarPrevious image



