Streng-press Druckrohrsystem
Die widerstandsfähigen Streng-press Druckrohre weisen eine hohe Spannrissbeständigkeit gegen Punktlasten auf. Das für die Streng-Druckrohre verwendete PE100RC Material sorgt dafür, dass Kerben und Riefen am Rohr langfristig keinen Schaden an der Leitung verursachen. Die einzelnen Rohrkomponenten eignen sich gut zur Verschweissung im Spiegelschweissverfahren und mit Elektroschweissmuffen. Die Herstellung erfolgt nach EN12201 (Wasser), EN1555 (Gas) und nach PAS1075. Die Druckrohre werden zudem nach den Vorgaben des SVGW geprüft und zertifiziert. Die Streng-press Druckrohre sind in den Druckstufen PN10 und PN16 für Wasser, und in PN5 für Gas erhältlich. Höhere Druckstufen stellen wir auf Anfrage sehr gerne für Sie her. Für noch erschwertere Einbaubedingungen sind unsere Streng-press Schutzmantelrohre die passende Lösung. Der aus Polypropylen bestehende Schutzmantel bietet einen noch besseren Schutz gegen äussere Einwirkungen und wird deshalb oft bei grabenlosen Verlegungen eingesetzt.
PE100-RC Druckrohre "TRINKWASSER"
EN 12201 / SVGW K 118SDR 11 / S 5 / PN 16Mit blauen MarkierungsstreifenPrevious image





PE100-RC Druckrohre "TRINKWASSER"
EN 12201 / SVGW K 118Mit blauen MarkierungsstreifenSDR 17 / S 8 / PN 10Previous image





PE100-RC Druckrohre in Rollen "TRINKWASSER"
EN 12201 / SVGW K 118SDR 11 / S 5 / PN 16Mit blauen MarkierungsstreifenPrevious image





PE100-RC Druckrohre in Rollen "TRINKWASSER"
EN 12201 / SVGW K 118Mit blauen MarkierungsstreifenSDR 17 / S 8 / PN 10Previous image





PE100-RC Schutzmantelrohre "TRINKWASSER"
EN 12201 / SVGW K 118SDR 11 / S 5 / PN 16Schutzmantel werksseitig zurückgeschältBlau mit grünen MarkierungsstreifenPrevious image





PE100-RC Schutzmantelrohre "TRINKWASSER"
EN 12201 / SVGW K 118SDR 17 / S 8 / PN 10Schutzmantel werksseitig zurückgeschältBlau mit grünen MarkierungsstreifenPrevious image





PE100-RC Schutzmantelrohre in Rollen "TRINKWASSER"
EN 12201 / SVGW K 118SDR 11 / S 5 / PN 16Schutzmantel werksseitig zurückgeschältBlau mit grünen MarkierungsstreifenPrevious image





HDPE Schutzrohre glattendig
Ab dn200 SDR 33 / S 16 / SN 2SDR 26 / S 12.5 / SN 4PE100, blauPrevious image





PE100-RC Druckrohre "GAS"
SDR 11 / S 5 / PN 5Mit gelben MarkierungsstreifenEN 1555 / SVGW 06-098-9Previous image





PE100-RC Druckrohre "GAS"
Mit gelben MarkierungsstreifenEN 1555 / SVGW 06-098-9SDR 17 / S 8 / PN 5Previous image





PE100-RC Druckrohre in Rollen "GAS"
SDR 11 / S 5 / PN 5Mit gelben MarkierungsstreifenEN 1555 / SVGW 06-098-9Previous image





PE100-RC Schutzmantelrohre "GAS"
SDR 11 / S 5 / PN 5EN 1555 / SVGW 06-098-9Schutzmantel werksseitig zurückgeschältGelb mit grünen MarkierungsstreifenPrevious image





PE100-RC Schutzmantelrohre "GAS"
EN 1555 / SVGW 06-098-9SDR 17 / S 8 / PN 5Schutzmantel werksseitig zurückgeschältGelb mit grünen MarkierungsstreifenPrevious image





PE100-RC Druckrohre "ANERGIE"
SDR 11 / S 5 / PN 16EN 12201Mit violetten MarkierungsstreifenPrevious image





PE100-RC Druckrohre "ANERGIE"
SDR 17 / S 8 / PN 10Mit violetten MarkierungsstreifenEN12201Previous image





PE100-RC Schutzmantelrohre "ANERGIE"
SDR 11 / S 5 / PN 16EN 12201Schutzmantel werksseitig zurückgeschältViolett mit grünen MarkierungsstreifenPrevious image





PE100-RC Schutzmantelrohre "ANERGIE"
SDR 17 / S 8 / PN 10EN 12201Schutzmantel werksseitig zurückgeschältViolett mit grünen MarkierungsstreifenPrevious image





PE100-RC Schutzmantelrohre "ABWASSER"
SDR 11 / S 5 / PN 16EN 12201Schutzmantel werksseitig zurückgeschältBraun mit grünen MarkierungsstreifenPrevious image





PE100-RC Schutzmantelrohre "ABWASSER"
SDR 17 / S 8 / PN 10EN 12201Schutzmantel werksseitig zurückgeschältBraun mit grünen MarkierungsstreifenPrevious image





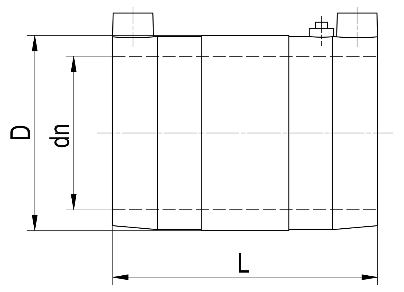
PE100 Druck-Elektroschweissmuffen 40V
D und L können variieren, die Tabellenwerte stellen Maximalwerte darSchweissung mit 40V SchweissgerätAnwendung für Rohre von SDR 11 - 17Schwarz, gespritzt, System strengweld®Previous image





PE100 Elektroschweissmuffen 40V
D und L können variieren, die Tabellenwerte stellen Maximalwerte darKombi-Muffe System strengweld®Anwendung für Rohre von SDR 17 - 33R 592012Previous image





PP Druck-Elektroschweissmuffen 40 V
D und L können variieren, die Tabellenwerte stellen Maximalwerte darSchweissung mit 40V SchweissgerätGrau, gespritzt, System strengweld®Anwendung für Rohre von SDR 11 - 17Previous image





PP Elektroschweissmuffen 40V
D und L können variieren, die Tabellenwerte stellen Maximalwerte darKombi-Muffe System strengweld®Anwendung für Rohre von SDR 17 - 33Previous image





Mantelrohrschneider
Zum einfachen Abtrennen des Schutzmantels an VerbindungsstellenPrevious image





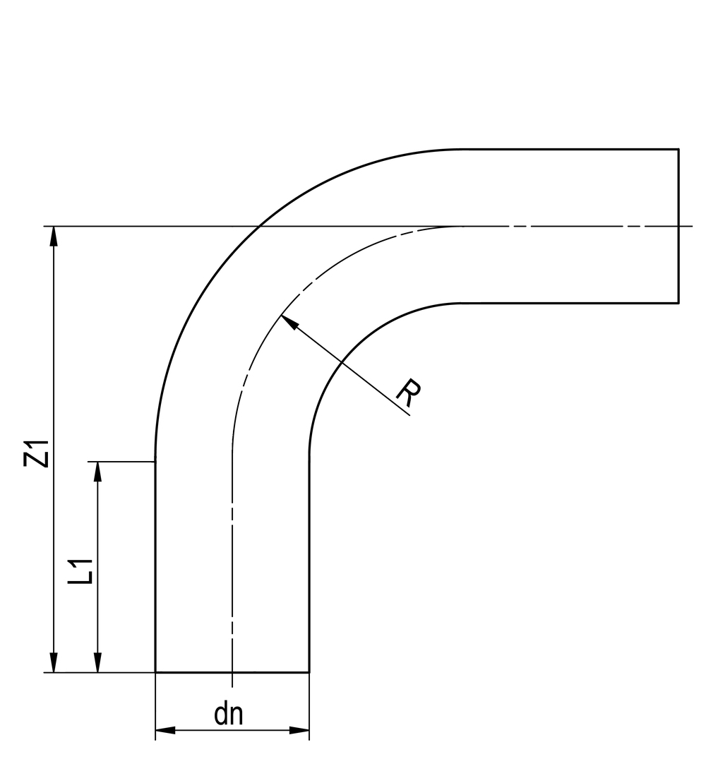
PE100 Bogen 11°
Die Längen der Stutzenfittings können je nach Hersteller variierenAus nahtlosem Rohr gefertigt, mit langen SchweissendenSDR 11 / S 5 / PN 16 Wasser / PN 5 GasNahtlose Bogen dürfen nicht gekürzt werdenPrevious image





PE100 Bogen 11°
Die Längen der Stutzenfittings können je nach Hersteller variierenAus nahtlosem Rohr gefertigt, mit langen SchweissendenNahtlose Bogen dürfen nicht gekürzt werdenSDR 17 / S 8 / PN 10 Wasser / PN 5 GasPrevious image





PE100 Bogen 22°
Die Längen der Stutzenfittings können je nach Hersteller variierenAus nahtlosem Rohr gefertigt, mit langen SchweissendenSDR 11 / S 5 / PN 16 Wasser / PN 5 GasNahtlose Bogen dürfen nicht gekürzt werdenPrevious image





PE100 Bogen 22°
Die Längen der Stutzenfittings können je nach Hersteller variierenAus nahtlosem Rohr gefertigt, mit langen SchweissendenNahtlose Bogen dürfen nicht gekürzt werdenSDR 17 / S 8 / PN 10 Wasser / PN 5 GasPrevious image





PE100 Bogen 30°
Die Längen der Stutzenfittings können je nach Hersteller variierenAus nahtlosem Rohr gefertigt, mit langen SchweissendenSDR 11 / S 5 / PN 16 Wasser / PN 5 GasNahtlose Bogen dürfen nicht gekürzt werdenPrevious image





PE100 Bogen 30°
Die Längen der Stutzenfittings können je nach Hersteller variierenAus nahtlosem Rohr gefertigt, mit langen SchweissendenNahtlose Bogen dürfen nicht gekürzt werdenSDR 17 / S 8 / PN 10 Wasser / PN 5 GasPrevious image





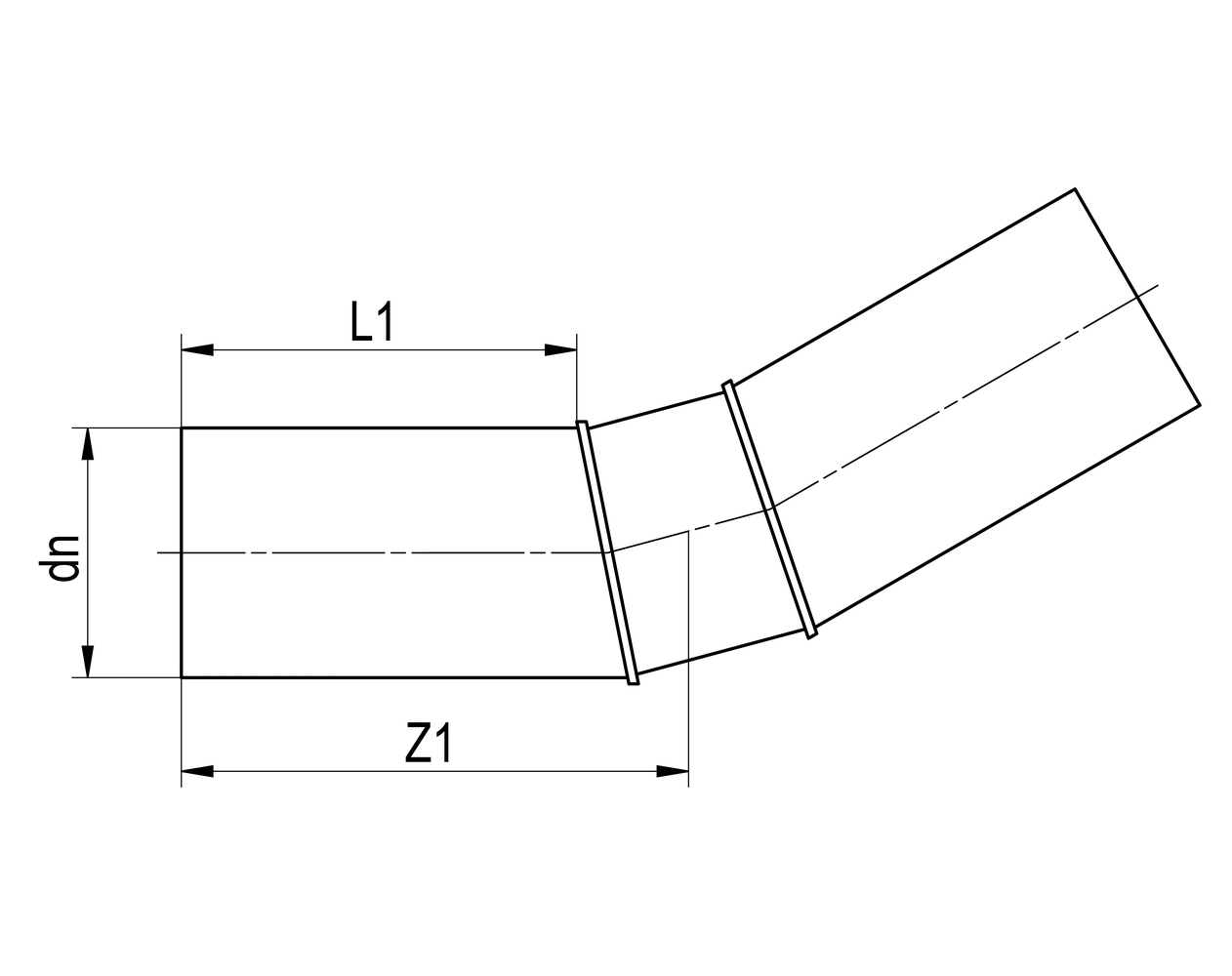
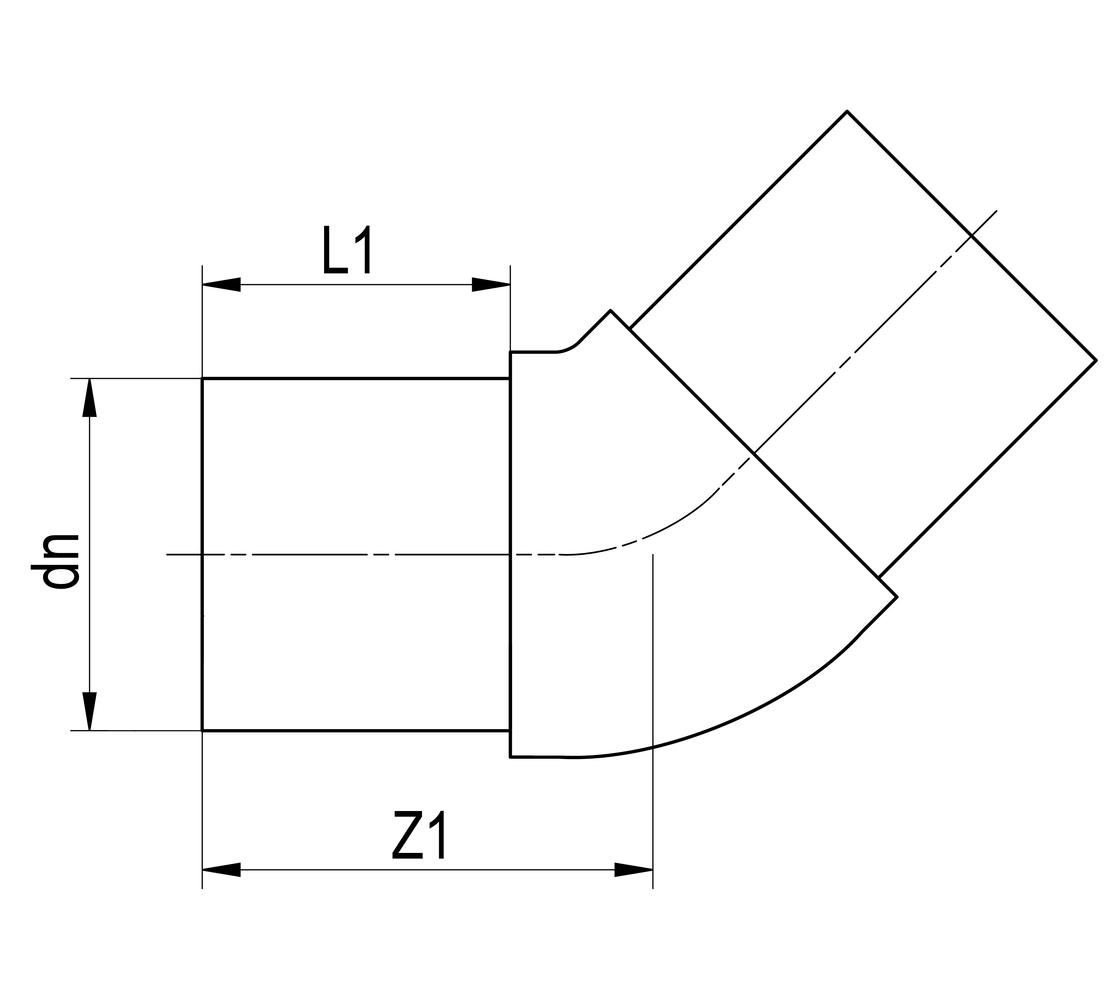
PE100 Bogen 45°
Die Längen der Stutzenfittings können je nach Hersteller variierenAus nahtlosem Rohr gefertigt, mit langen SchweissendenSDR 11 / S 5 / PN 16 Wasser / PN 5 GasPrevious image





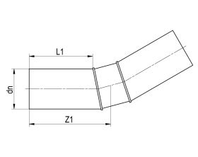
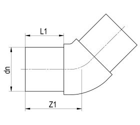
PE100 Bogen 45°
Die Längen der Stutzenfittings können je nach Hersteller variierenAus nahtlosem Rohr gefertigt, mit langen SchweissendenSDR 17 / S 8 / PN 10 Wasser / PN 5 GasPrevious image





PE100 Bogen 60°
Die Längen der Stutzenfittings können je nach Hersteller variierenAus nahtlosem Rohr gefertigt, mit langen SchweissendenSDR 11 / S 5 / PN 16 Wasser / PN 5 GasNahtlose Bogen dürfen nicht gekürzt werdenPrevious image





PE100 Bogen 60°
Die Längen der Stutzenfittings können je nach Hersteller variierenAus nahtlosem Rohr gefertigt, mit langen SchweissendenNahtlose Bogen dürfen nicht gekürzt werdenSDR 17 / S 8 / PN 10 Wasser / PN 5 GasPrevious image





PE100 Bogen 90°
Die Längen der Stutzenfittings können je nach Hersteller variierenSDR 11 / S 5 / PN 16 Wasser / PN 5 GasNahtlose Bogen dürfen nicht gekürzt werdenMit langen SchweissendenPrevious image





PE100 Bogen 90°
Die Längen der Stutzenfittings können je nach Hersteller variierenNahtlose Bogen dürfen nicht gekürzt werdenSDR 17 / S 8 / PN 10 Wasser / PN 5 GasMit langen SchweissendenPrevious image





PE100-RC Segmentbogen 15°
Mit langen SchweissendenBetriebsdruckminderungsfaktor 0.8Ergänzende Masse auf AnfrageSDR 11 / S 5Previous image





PE100-RC Segmentbogen 15°
Mit langen SchweissendenBetriebsdruckminderungsfaktor 0.8Ergänzende Masse auf AnfrageSDR 17 / S 8Previous image





PE100-RC Segmentbogen 30°
Mit langen SchweissendenBetriebsdruckminderungsfaktor 0.8Ergänzende Masse auf AnfrageSDR 11 / S 5Previous image





PE100-RC Segmentbogen 30°
Mit langen SchweissendenBetriebsdruckminderungsfaktor 0.8Ergänzende Masse auf AnfrageSDR 17 / S 8Previous image





PE100 Winkel 45°
Die Längen der Stutzenfittings können je nach Hersteller variierenSDR 11 / S 5 / PN 16 Wasser / PN 5 GasEN 12201, EN 1555Gespritzt, mit langen SchweissendenPrevious image





PE100 Winkel 45°
Die Längen der Stutzenfittings können je nach Hersteller variierenSDR 17 / S 8 / PN 10 Wasser / PN 5 GasEN 12201, EN 1555Gespritzt, mit langen SchweissendenPrevious image





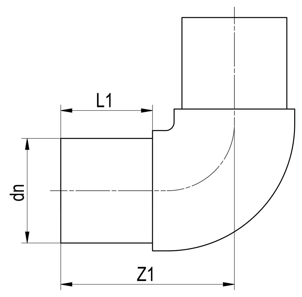
PE100 Winkel 90°
Die Längen der Stutzenfittings können je nach Hersteller variierenSDR 11 / S 5 / PN 16 Wasser / PN 5 GasEN 12201, EN 1555Gespritzt, mit langen SchweissendenPrevious image





PE100 Winkel 90°
Die Längen der Stutzenfittings können je nach Hersteller variierenSDR 17 / S 8 / PN 10 Wasser / PN 5 GasEN 12201, EN 1555Gespritzt, mit langen SchweissendenPrevious image





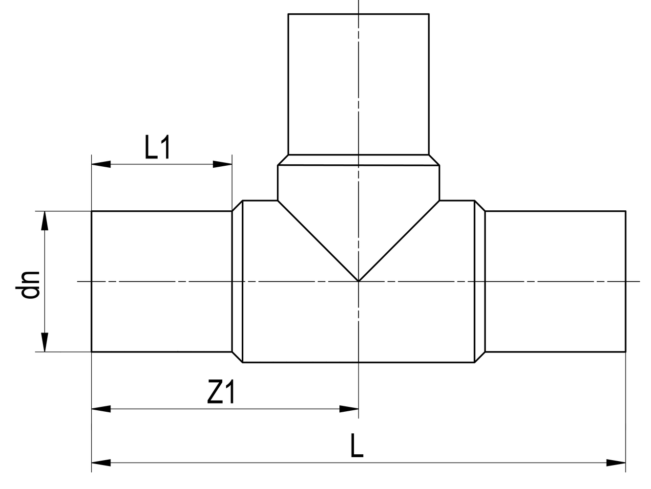
PE100 T-Stücke egal
Die Längen der Stutzenfittings können je nach Hersteller variierenSDR 11 / S 5 / PN 16 Wasser / PN 5 GasEN 12201, EN 1555Gespritzt, mit langen SchweissendenPrevious image





PE100 T-Stücke egal
Die Längen der Stutzenfittings können je nach Hersteller variierenSDR 17 / S 8 / PN 10 Wasser / PN 5 GasEN 12201, EN 1555Gespritzt, mit langen SchweissendenPrevious image





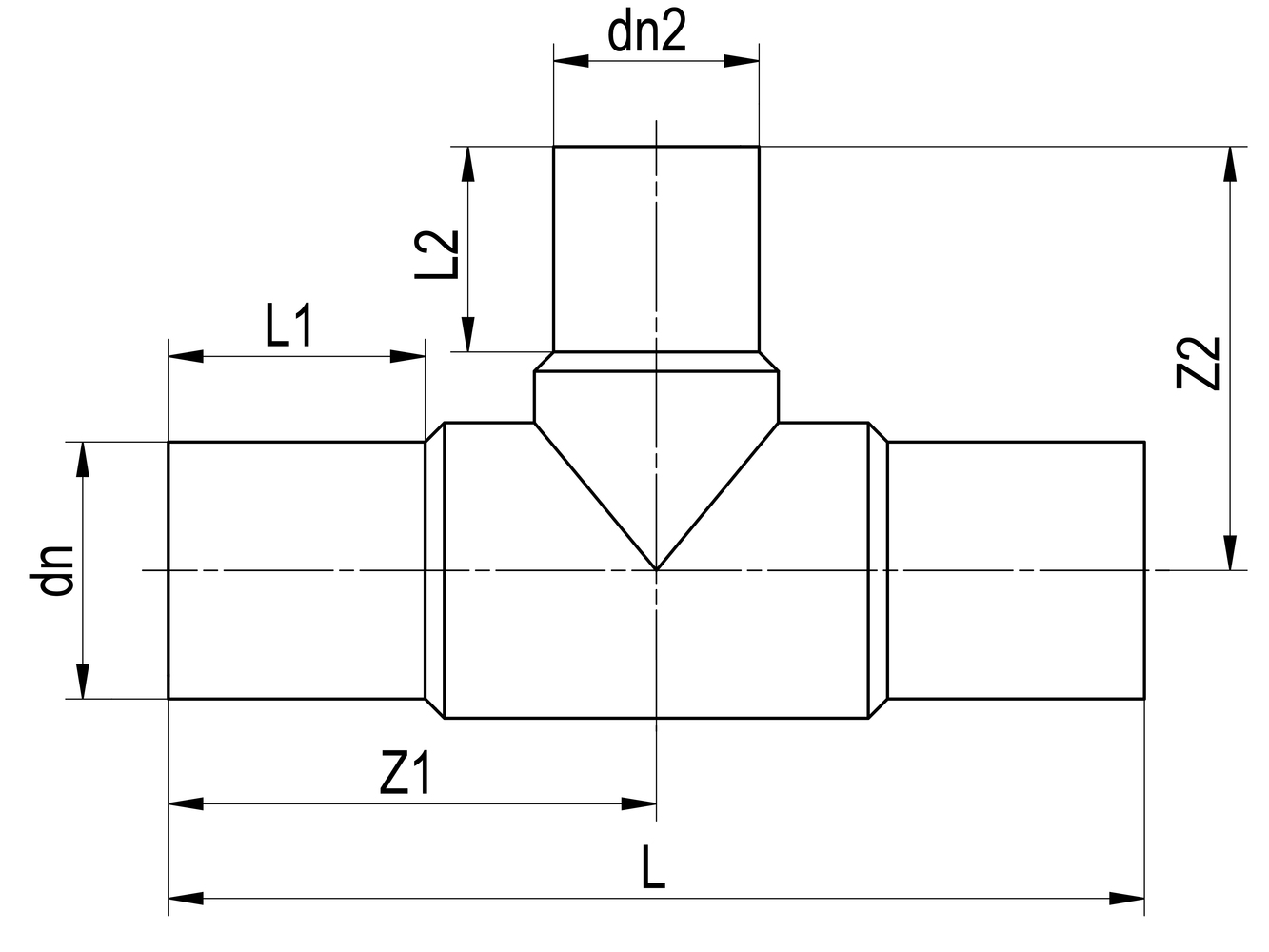
PE100 T-Stücke reduziert
Die Längen der Stutzenfittings können je nach Hersteller variierenSDR 11 / S 5 / PN 16 Wasser / PN 5 GasEN 12201, EN 1555Gespritzt, mit langen SchweissendenPrevious image





PE100 T-Stücke reduziert
Die Längen der Stutzenfittings können je nach Hersteller variierenSDR 17 / S 8 / PN 10 Wasser / PN 5 GasEN 12201, EN 1555Gespritzt, mit langen SchweissendenPrevious image





PE100 T 45° egal
Die Längen der Stutzenfittings können je nach Hersteller variierenSDR 11 / S 5 / PN 16 Wasser / PN 5 GasGespritzt, mit langen SchweissendenPrevious image





PE100 T 45° egal
Die Längen der Stutzenfittings können je nach Hersteller variierenSDR 17 / S 8 / PN 10 Wasser / PN 5 GasGespritzt, mit langen SchweissendenPrevious image





PE100 Reduktionen
Die Längen der Stutzenfittings können je nach Hersteller variierenSDR 11 / S 5 / PN 16 Wasser / PN 5 GasGespritzt, mit langen SchweissendenPrevious image





PE100 Reduktionen
Die Längen der Stutzenfittings können je nach Hersteller variierenSDR 17 / S 8 / PN 10 Wasser / PN 5 GasGespritzt, mit langen SchweissendenPrevious image





PE100 Endkappen
Die Längen der Stutzenfittings können je nach Hersteller variierenSDR 11 / S 5 / PN 16 Wasser / PN 5 GasEN 12201, EN 1555Gespritzt, mit langen SchweissendenPrevious image





PE100 Endkappen
Die Längen der Stutzenfittings können je nach Hersteller variierenSDR 17 / S 8 / PN 10 Wasser / PN 5 GasEN 12201, EN 1555Gespritzt, mit langen SchweissendenPrevious image





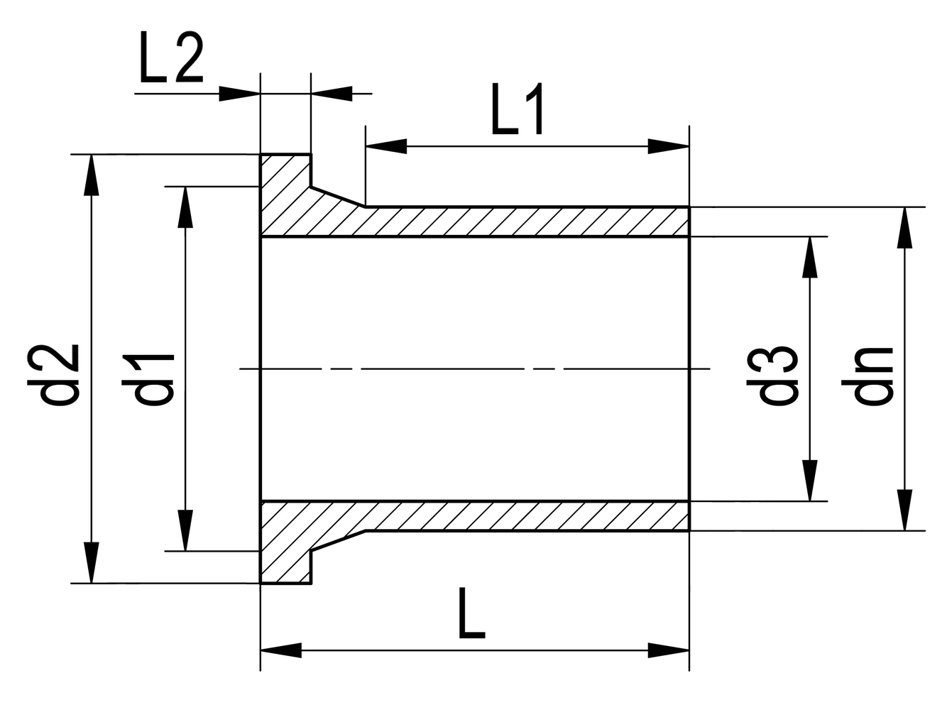
PE100 Vorschweissbunde
Die Längen der Stutzenfittings können je nach Hersteller variierenSDR 11 / S 5 / PN 16 Wasser / PN 5 GasEN 12201, EN 1555Gespritzt, mit langen SchweissendenPrevious image





PE100 Vorschweissbunde
Die Längen der Stutzenfittings können je nach Hersteller variierenSDR 17 / S 8 / PN 10 Wasser / PN 5 GasEN 12201, EN 1555Gespritzt, mit langen SchweissendenPrevious image





PP Losflansche mit Stahlkern
Lochkreis PN 10 gebohrtPrevious image





Profil-Flanschdichtungen metrisch mit Stahleinlage
Einsetzbar für Trinkwasser und Gas, passend zu allen metrischen Bundbuchsen und VorschweissbundenProfil-Flanschdichtung mit Stahleinlage Typ G-ST-P/KMaterial Stahleinlage: ST37Previous image





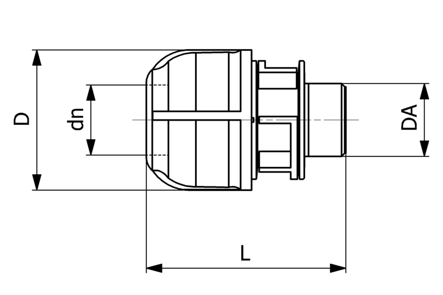
I-Joint Kupplung egal
Für WasserleitungenBetriebsdruck 16barSVGW - TrinkwasserzulassungMaterial PP, Klemmring POM, Dichtring NBRPrevious image





I-Joint Reparaturkupplung, ohne Mittenanschlag
Für WasserleitungenBetriebsdruck 16barSVGW - TrinkwasserzulassungMaterial PP, Klemmring POM, Dichtring NBRPrevious image





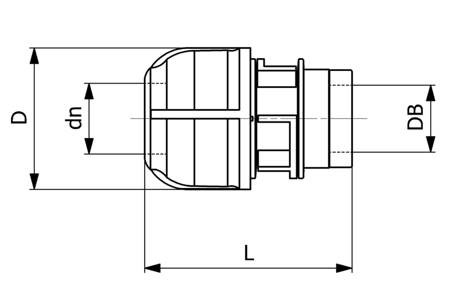
I-Joint Kupplung reduziert
Für WasserleitungenBetriebsdruck 16barSVGW - TrinkwasserzulassungMaterial PP, Klemmring POM, Dichtring NBRPrevious image





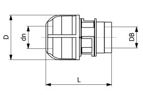
I-Joint Übergangskupplung Aussengewinde
Für WasserleitungenBetriebsdruck 16barSVGW - TrinkwasserzulassungMaterial PP, Klemmring POM, Dichtring NBRPrevious image





I-Joint Übergangskupplung Innengewinde
Für WasserleitungenBetriebsdruck 16barSVGW - TrinkwasserzulassungMaterial PP, Klemmring POM, Dichtring NBRPrevious image





I-Joint Endkappe
Für WasserleitungenBetriebsdruck 16barSVGW - TrinkwasserzulassungMaterial PP, Klemmring POM, Dichtring NBRPrevious image





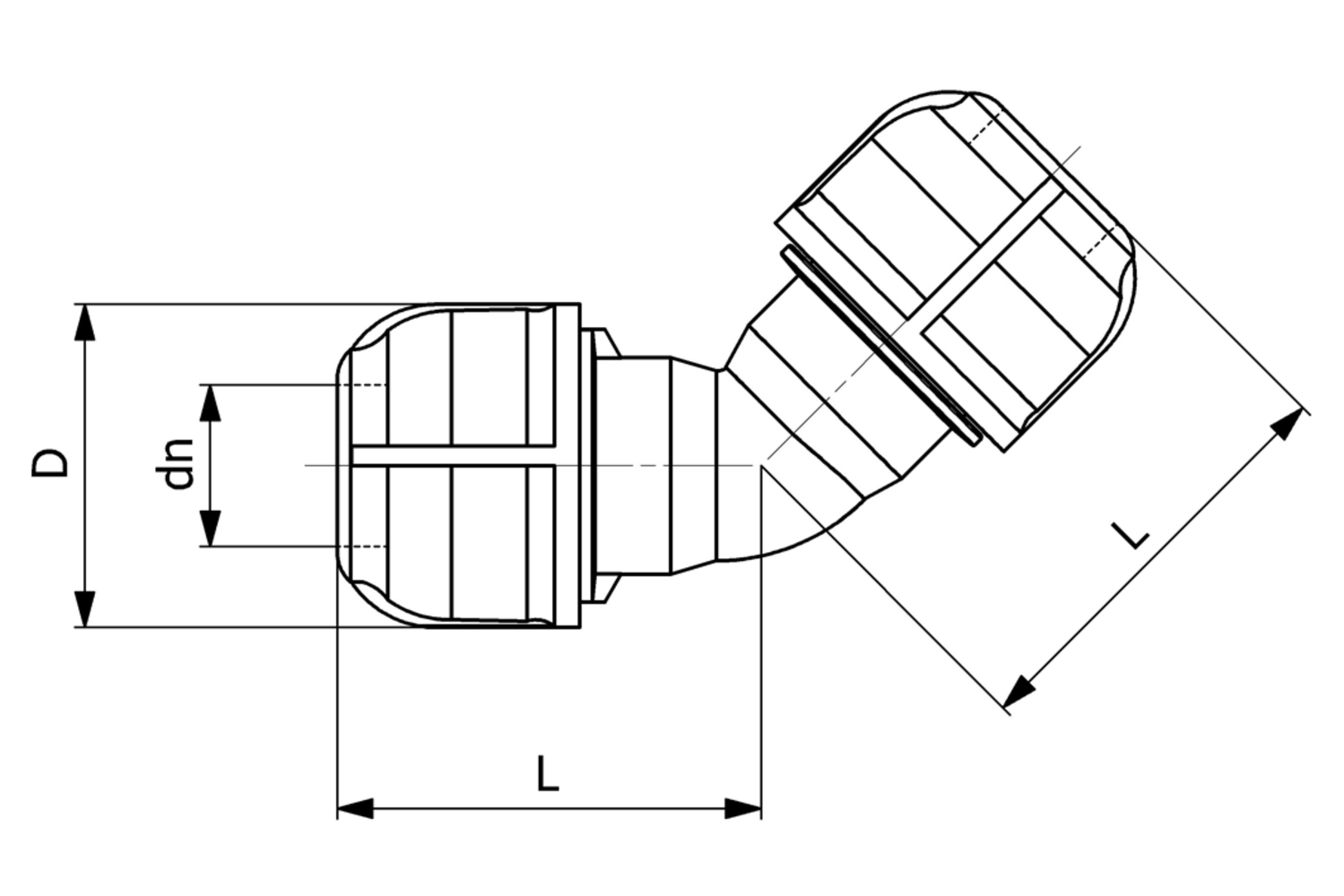
I-Joint Winkel 45°
Für WasserleitungenBetriebsdruck 16barSVGW - TrinkwasserzulassungMaterial PP, Klemmring POM, Dichtring NBRPrevious image





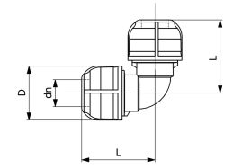
I-Joint Winkel 90°
Für WasserleitungenBetriebsdruck 16barSVGW - TrinkwasserzulassungMaterial PP, Klemmring POM, Dichtring NBRPrevious image





I-Joint T-Stück 90° egal
Für WasserleitungenBetriebsdruck 16barSVGW - TrinkwasserzulassungMaterial PP, Klemmring POM, Dichtring NBRPrevious image





I-Joint T-Stück 90° reduziert
Für WasserleitungenBetriebsdruck 16barSVGW - TrinkwasserzulassungMaterial PP, Klemmring POM, Dichtring NBRPrevious image





Montageschlüssel für I-Joint-Kupplungen
Previous image



